Lovato SRBES31: Safety Relay - Emergency Stop. 24V Ac/DC relayសុវត្ថិភាពLovato 31RC110415: Earth leakage relays - relayការពារ
Lovato SRBEM41: Safety Relay - Expansion Module. 24V Ac/DC relayសុវត្ថិភាព
Lovato SRBEM41: Safety Relay - Expansion Module. 24V Ac/DC relayសុវត្ថិភាព
☼ ការពិពណ៌នាលក្ខណៈ៖
• relay ស៊េរីSRB, ទំហំបង្រួម ម៉ូឌុលដែលអាចពង្រីកបាន។
• បំពាក់ដោយកុងតាក់សុវត្ថិភាព និងឧបករណ៍ចាប់សញ្ញាម៉ាញ៉េទិច ប្រភពថាមពលជំនួយ 24VAC/DC
• ប្រតិបត្តិការឆានែលពីរ ឬតែមួយ កម្រិតការពារបន្ទះខាងមុខ IP40
• រហូតដល់ ៣ គ្មានលទ្ធផលសុវត្ថិភាពអាចត្រូវបានពង្រីក និងគ្រប់គ្រងដោយអេឡិចត្រូនិច
• ការគ្រប់គ្រងសុវត្ថិភាព ឧទ្ទិសសម្រាប់ការឈប់សង្គ្រោះបន្ទាន់
• 1 NC auxiliary output (SRBES31) អាចត្រូវបានប្រើសម្រាប់ការចង្អុលបង្ហាញពីស្ថានភាពពីចម្ងាយ
• ចាប់ផ្តើម/កំណត់របៀបប្រតិបត្តិការដោយដៃ ឬស្វ័យប្រវត្តិឡើងវិញ
• មានស្ថេរភាព ប្រើប្រាស់បានយូរ មុខងារប្រតិបត្តិការ
• ការភ្ជាប់ក្បាលវីសដែលអាចដកចេញបាន ជាមួយនឹងតង្កៀបភ្ជាប់ DIN 35mm
☼ ស្តង់ដារ៖
• អនុលោមតាម EN/BS 13849-1, Cat.4 Ple
• សម្រេចបាន cULus, TUV
• ម៉ាក LOVATO (ផលិតនៅប្រទេសអ៊ីតាលី)
☼ កម្មវិធី៖
• ការត្រួតពិនិត្យ និងត្រួតពិនិត្យសុវត្ថិភាព៖ ការឈប់សង្គ្រោះបន្ទាន់ ការចូលប្រើសុវត្ថិភាព ...
• គ្រប់គ្រងសៀគ្វីអគ្គិសនីដោយសុវត្ថិភាពសម្រាប់កាប៊ីនជណ្តើរយន្ត
• ប្រើសម្រាប់ម៉ាស៊ីនកម្រិត ពិនិត្យមើលរណ្តៅលើក ...
☼ ការពិពណ៌នាលក្ខណៈ៖
• relay ស៊េរីSRB, ទំហំបង្រួម ម៉ូឌុលដែលអាចពង្រីកបាន។
• បំពាក់ដោយកុងតាក់សុវត្ថិភាព និងឧបករណ៍ចាប់សញ្ញាម៉ាញ៉េទិច ប្រភពថាមពលជំនួយ 24VAC/DC
• ប្រតិបត្តិការឆានែលពីរ ឬតែមួយ កម្រិតការពារបន្ទះខាងមុខ IP40
• រហូតដល់ ៣ គ្មានលទ្ធផលសុវត្ថិភាពអាចត្រូវបានពង្រីក និងគ្រប់គ្រងដោយអេឡិចត្រូនិច
• ការគ្រប់គ្រងសុវត្ថិភាព ឧទ្ទិសសម្រាប់ការឈប់សង្គ្រោះបន្ទាន់
• 1 NC auxiliary output (SRBES31) អាចត្រូវបានប្រើសម្រាប់ការចង្អុលបង្ហាញពីស្ថានភាពពីចម្ងាយ
• ចាប់ផ្តើម/កំណត់របៀបប្រតិបត្តិការដោយដៃ ឬស្វ័យប្រវត្តិឡើងវិញ
• មានស្ថេរភាព ប្រើប្រាស់បានយូរ មុខងារប្រតិបត្តិការ
• ការភ្ជាប់ក្បាលវីសដែលអាចដកចេញបាន ជាមួយនឹងតង្កៀបភ្ជាប់ DIN 35mm
☼ ស្តង់ដារ៖
• អនុលោមតាម EN/BS 13849-1, Cat.4 Ple
• សម្រេចបាន cULus, TUV
• ម៉ាក LOVATO (ផលិតនៅប្រទេសអ៊ីតាលី)
☼ កម្មវិធី៖
• ការត្រួតពិនិត្យ និងត្រួតពិនិត្យសុវត្ថិភាព៖ ការឈប់សង្គ្រោះបន្ទាន់ ការចូលប្រើសុវត្ថិភាព ...
• គ្រប់គ្រងសៀគ្វីអគ្គិសនីដោយសុវត្ថិភាពសម្រាប់កាប៊ីនជណ្តើរយន្ត
• ប្រើសម្រាប់ម៉ាស៊ីនកម្រិត ពិនិត្យមើលរណ្តៅលើក ...
Description
Lovato relay SRBEM41
- បន្ទាត់ផលិតផល : SBR, សុវត្ថិភាពទិន្នផល module ពង្រីក
- លក្ខណៈ :
* របៀបការពារ៖ សៀគ្វីខ្លីជាមួយ PTC - ថាមពល :
* ការផ្គត់ផ្គង់ថាមពលជំនួយ : 24VAC/DC
* ជួរប្រតិបត្តិការ : 22~26VDC / 20.4~27.6VAC
* ប្រេកង់ដែលបានវាយតម្លៃ : 50/60Hz - បញ្ចូល :
* Số đầu vào : 2
* Mạch trở kháng đầu vào : max. 1kΩ
* Dòng vào : 5mA
* Điện áp vào : 0~35VDC - ទិន្នផល :
* តូលេខនៃលទ្ធផលការពារ : 4NO + 1NC
* AC1 250V : 6A - 2000VA
* AC15 230 : 3A
* DC1 24V : 6A
* DC13 24V : 2.5A - មុខងារ :
* ទំនាក់ទំនងមិនមានវ៉ុលទេ។
* ម៉ូឌុលទិន្នផលសុវត្ថិភាព - វ៉ុលជីពចរដែលបានកំណាត់ : 4kV
- ធន់នឹងមេកានិច : > 10.000.000 lần vận hành
- ធន់នឹងអគ្គីសនី : 100.000 lần
- រឹមកំដៅដំណើរការ :
* សីតុណ្ហភាពប្រតិបត្តិការ : -25ºC ~ 60ºC
* សីតុណ្ហភាពផ្ទុក : -30ºC ~ 70ºC - សំណើមដែលអាចអនុញ្ញាតបាន។: 2
- កម្រិតបំពុល : ≤ 95% RH
- សម្ភារៈ : ការពារអគ្គីភ័យ
- កម្រិតការពារ : ខាងមុខ IP40, ក្បាលកន្ទុយ IP20
- នៃការដំឡើង :
* ម៉ោននៅលើតង្កៀប DIN 35mm
* វីសក្បាលកន្ទុយ
* ខ្សែភ្ជាប់ដែលអាចផ្ដាច់បាន - ទំហំ : 17.8 x 110.8 x 121 (mm)
- ទម្ងន់ : 0.239 Kg
- ដំណើរការវេចខ្ចប់ : 1 ស្ត្រី/ប្ដឹង - ទំហំ 25 x 120 130 (mm)
ទំហំ : Lovato relay SRBEM41
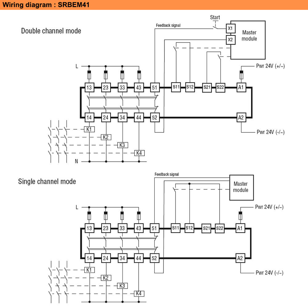
ដ្យាក្រាមតភ្ជាប់ : Lovato relay SRBEM41
លក្ខណៈបច្ចេកទេស : Lovato relay SRBEM41
Download ទាញយកឯកសារបច្ចេកទេស : Lovato relay SRBEM41
Download ទាញយកឯកសារបច្ចេកទេស Lovato Safety Relay
មតិយោបល់
ច័ន្ទ, 25 មីនា 2019
Lovato SRBEM41: Safety Relay - Expansion Module. 24V Ac/DC relayសុវត្ថិភាព ផលិតផលដែលប្រើបានវិស្វករអគ្គិសនី

