Lovato SRBES31: Safety Relay - Emergency Stop. 24V Ac/DC relayសុវត្ថិភាពLovato 31RC110415: Earth leakage relays - relayការពារ
Lovato SRATH21: Safety Relay - Monitoring - 24V DC relayសុវត្ថិភាព
Lovato SRATH21: Safety Relay - Monitoring - 24V DC relayសុវត្ថិភាព
☼ ការពិពណ៌នាលក្ខណៈ៖
• relay ស៊េរីSRA, SRATH21 thiết kế đẹp, nhỏ gọn
• Giám sát, kiểm soát và điều khiển các thiết bị điều khiển bằng 2 tay
• Tích hợp truy cập bảo mật, khóa liên động cơ điện
• Trang bị công tắc an toàn từ tính, và công tắc giới hạn an toàn
• Tự khởi động lại hoặc theo quá trình dõi khởi động lại thủ công
• Có thể khởi động lại bằng tay hoặc tự động
• Điện áp nguồn phụ 24VDC, lắp trên thanh ray DIN 35mm
• 1 đầu ra PNP giám sát hệ thống, 1 đầu vào từ contactor bên ngoài
• Chuẩn đoán cảnh báo thông qua đèn LED nhấp nháy
☼ ស្តង់ដារ៖
• អនុលោមតាម EN/BS ISO 13849-1, cat.4 PLe
• សម្រេចបាន cULus, TUV
• ម៉ាក LOVATO (ផលិតនៅប្រទេសអ៊ីតាលី)
☼ កម្មវិធី៖
• ការត្រួតពិនិត្យ និងត្រួតពិនិត្យសុវត្ថិភាព៖ ការឈប់សង្គ្រោះបន្ទាន់ ការចូលប្រើសុវត្ថិភាព ...
• គ្រប់គ្រងសៀគ្វីអគ្គិសនីដោយសុវត្ថិភាពសម្រាប់កាប៊ីនជណ្តើរយន្ត
• ប្រើសម្រាប់ម៉ាស៊ីនកម្រិត ពិនិត្យមើលរណ្តៅលើក ...
☼ ការពិពណ៌នាលក្ខណៈ៖
• relay ស៊េរីSRA, SRATH21 thiết kế đẹp, nhỏ gọn
• Giám sát, kiểm soát và điều khiển các thiết bị điều khiển bằng 2 tay
• Tích hợp truy cập bảo mật, khóa liên động cơ điện
• Trang bị công tắc an toàn từ tính, và công tắc giới hạn an toàn
• Tự khởi động lại hoặc theo quá trình dõi khởi động lại thủ công
• Có thể khởi động lại bằng tay hoặc tự động
• Điện áp nguồn phụ 24VDC, lắp trên thanh ray DIN 35mm
• 1 đầu ra PNP giám sát hệ thống, 1 đầu vào từ contactor bên ngoài
• Chuẩn đoán cảnh báo thông qua đèn LED nhấp nháy
☼ ស្តង់ដារ៖
• អនុលោមតាម EN/BS ISO 13849-1, cat.4 PLe
• សម្រេចបាន cULus, TUV
• ម៉ាក LOVATO (ផលិតនៅប្រទេសអ៊ីតាលី)
☼ កម្មវិធី៖
• ការត្រួតពិនិត្យ និងត្រួតពិនិត្យសុវត្ថិភាព៖ ការឈប់សង្គ្រោះបន្ទាន់ ការចូលប្រើសុវត្ថិភាព ...
• គ្រប់គ្រងសៀគ្វីអគ្គិសនីដោយសុវត្ថិភាពសម្រាប់កាប៊ីនជណ្តើរយន្ត
• ប្រើសម្រាប់ម៉ាស៊ីនកម្រិត ពិនិត្យមើលរណ្តៅលើក ...
Description
Lovato relay SRATH21
- បន្ទាត់ផលិតផល : SRA, មុខងារតែមួយ
- លក្ខណៈ :
* របៀបការពារ៖ សញ្ញាទិន្នផល ការពារការផ្ទុកលើសទម្ងន់ សៀគ្វីខ្លីជាមួយ PTC - ថាមពល :
* ការផ្គត់ផ្គង់ថាមពលជំនួយ : 24VDC
* ជួរប្រតិបត្តិការ : 22~26VDC / 20.4~27.6VAC
* ប្រេកង់ដែលបានវាយតម្លៃ : 50/60Hz - បញ្ចូល :
* Số đầu vào : 2
* Dòng vào : 4.3mA
* Điện áp vào : 0~30VDC - ទិន្នផល :
* តូលេខនៃលទ្ធផលការពារ : 2NO + 1PNP
* AC1 250V : 6A - 2000VA
* AC15 230 : 5A
* DC13 24V : 2A - មុខងារ :
* សុវត្ថិភាពសម្រាប់ឧបករណ៍បញ្ជា 2 ដៃ - វ៉ុលជីពចរដែលបានកំណាត់ : 4kV
- ធន់នឹងមេកានិច : > 10.000.000 lần vận hành
- ធន់នឹងអគ្គីសនី : 100.000 lần
- រឹមកំដៅដំណើរការ :
* សីតុណ្ហភាពប្រតិបត្តិការ : -25ºC ~ 55ºC
* សីតុណ្ហភាពផ្ទុក : -30ºC ~ 70ºC - សំណើមដែលអាចអនុញ្ញាតបាន។: 2
- កម្រិតបំពុល : ≤ 95% RH
- សម្ភារៈ : ការពារអគ្គីភ័យ
- កម្រិតការពារ : ខាងមុខ IP40, ក្បាលកន្ទុយ IP20
- នៃការដំឡើង :
* ភ្ជាប់នៅលើផ្លូវដែក DIN 35mm - ទំហំ : 22.5 x 99 x 113.5 (mm)
- ទម្ងន់ : 0.150 Kg
- ដំណើរការវេចខ្ចប់ : 1 ស្ត្រី/ប្ដឹង - ទំហំ 36 x 113 x 127 (mm)
ទំហំ : Lovato relay SRATH21
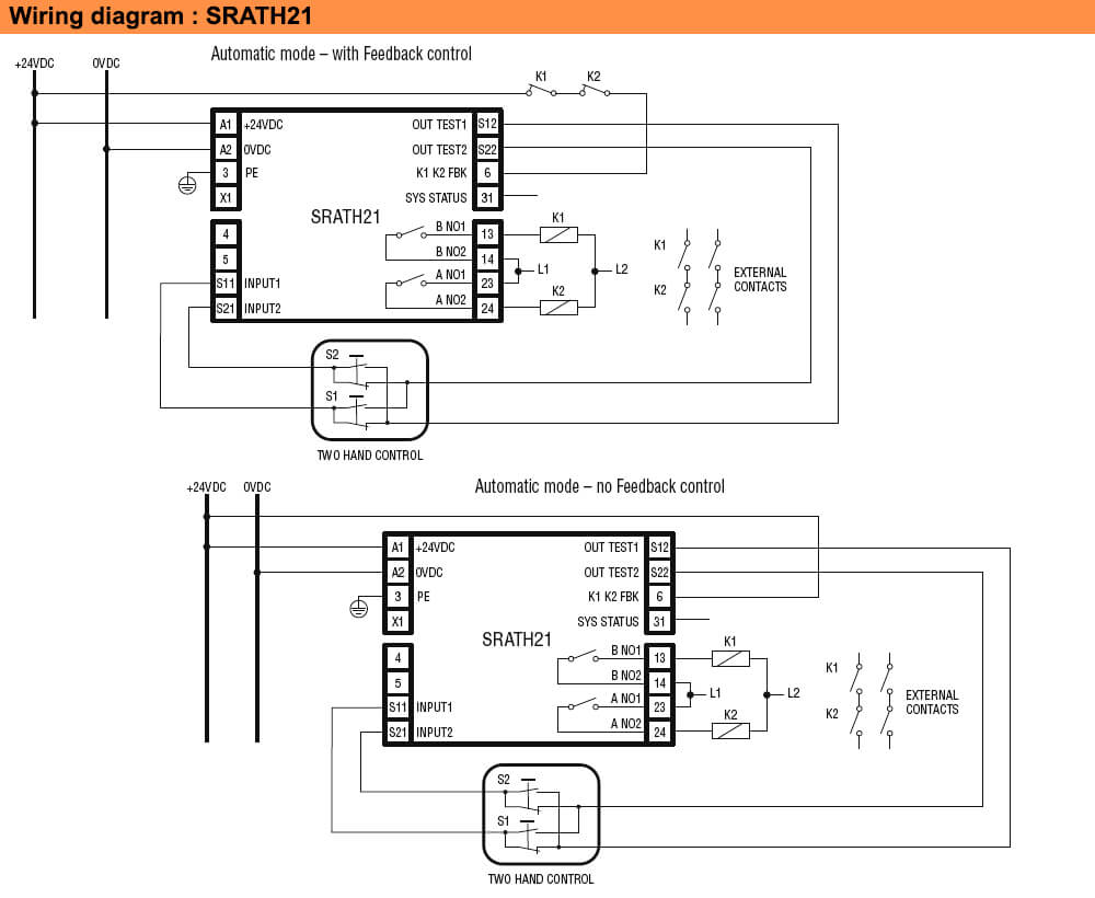
ដ្យាក្រាមតភ្ជាប់ : Lovato relay SRATH21
លក្ខណៈបច្ចេកទេស : Lovato relay SRATH21
Download ទាញយកឯកសារបច្ចេកទេស : Lovato relay SRATH21
Download ទាញយកឯកសារបច្ចេកទេស Lovato Safety Relay
មតិយោបល់
ច័ន្ទ, 25 មីនា 2019
Lovato SRATH21: Safety Relay - Monitoring - 24V DC relayសុវត្ថិភាព ផលិតផលដែលប្រើបានវិស្វករអគ្គិសនី

