Lovato SRBES31: Safety Relay - Emergency Stop. 24V Ac/DC relayសុវត្ថិភាពLovato 31RC110415: Earth leakage relays - relayការពារ
Lovato R1D415: Earth leakage relays - relayការពារ
Lovato R1D415: Earth leakage relays - relayការពារ
☼ ការពិពណ៌នាលក្ខណៈ៖
• ប្រភេទ A ការបញ្ជូនតការពារចរន្តលេចធ្លាយផែនដី បង្រួម
• 1 កម្រិតប្រតិបត្តិការ 1 SPDT ឧបករណ៍បំលែងចរន្តខាងក្រៅ
• LED ថាមពលពណ៌បៃតង (បើក)
• ភ្លើង LED ការបញ្ជូនបន្តពណ៌ក្រហម LED (TRIP)
• ប៊ូតុងសាកល្បង និងកំណត់ឡើងវិញនៅផ្នែកខាងមុខ ងាយស្រួល
• អាចកំណត់រចនាសម្ព័ន្ធ និងកំណត់ឡើងវិញដោយស្វ័យប្រវត្តិ ឬដោយដៃ
• ស្រោម 96x96mm flush mount case ជាមួយនឹងគម្របការពារថ្លា
• សែលធ្វើពីសមាសធាតុប៉ូលីកាបូណាតធន់នឹងភ្លើង
• អាចត្រូវបានម៉ោនជាអចិន្ត្រៃយ៍នៅលើផ្ទាំងគ្រប់គ្រង
☼ ស្តង់ដារ៖
• វិញ្ញាបនប័ត្រ EAC
• អនុលោមតាម IEC/EN/BS 60947-2
• ម៉ាក LOVATO (ផលិតនៅប្រទេសអ៊ីតាលី)
☼ កម្មវិធី៖
• ប្រើសម្រាប់វាស់ និងព្រមាននៅពេលដែលតម្លៃចរន្តអគ្គិសនីលេចធ្លាយលើសពីកម្រិតកំណត់
• គ្រប់គ្រងប្រព័ន្ធសុវត្ថិភាពឧស្សាហកម្ម បិទថាមពលនៅពេលមានបញ្ហាកើតឡើង
• ប្រើសម្រាប់ទូអគ្គិសនី ទូបញ្ជា ឬគ្រឿងចក្រឧស្សាហកម្ម
• ត្រូវបានគេប្រើយ៉ាងទូលំទូលាយនៅក្នុងខ្សែផលិតកម្ម និងដំណើរការដោយស្វ័យប្រវត្តិ ...
☼ ការពិពណ៌នាលក្ខណៈ៖
• ប្រភេទ A ការបញ្ជូនតការពារចរន្តលេចធ្លាយផែនដី បង្រួម
• 1 កម្រិតប្រតិបត្តិការ 1 SPDT ឧបករណ៍បំលែងចរន្តខាងក្រៅ
• LED ថាមពលពណ៌បៃតង (បើក)
• ភ្លើង LED ការបញ្ជូនបន្តពណ៌ក្រហម LED (TRIP)
• ប៊ូតុងសាកល្បង និងកំណត់ឡើងវិញនៅផ្នែកខាងមុខ ងាយស្រួល
• អាចកំណត់រចនាសម្ព័ន្ធ និងកំណត់ឡើងវិញដោយស្វ័យប្រវត្តិ ឬដោយដៃ
• ស្រោម 96x96mm flush mount case ជាមួយនឹងគម្របការពារថ្លា
• សែលធ្វើពីសមាសធាតុប៉ូលីកាបូណាតធន់នឹងភ្លើង
• អាចត្រូវបានម៉ោនជាអចិន្ត្រៃយ៍នៅលើផ្ទាំងគ្រប់គ្រង
☼ ស្តង់ដារ៖
• វិញ្ញាបនប័ត្រ EAC
• អនុលោមតាម IEC/EN/BS 60947-2
• ម៉ាក LOVATO (ផលិតនៅប្រទេសអ៊ីតាលី)
☼ កម្មវិធី៖
• ប្រើសម្រាប់វាស់ និងព្រមាននៅពេលដែលតម្លៃចរន្តអគ្គិសនីលេចធ្លាយលើសពីកម្រិតកំណត់
• គ្រប់គ្រងប្រព័ន្ធសុវត្ថិភាពឧស្សាហកម្ម បិទថាមពលនៅពេលមានបញ្ហាកើតឡើង
• ប្រើសម្រាប់ទូអគ្គិសនី ទូបញ្ជា ឬគ្រឿងចក្រឧស្សាហកម្ម
• ត្រូវបានគេប្រើយ៉ាងទូលំទូលាយនៅក្នុងខ្សែផលិតកម្ម និងដំណើរការដោយស្វ័យប្រវត្តិ ...
Description
Lovato relay R1D415
- បន្ទាត់ផលិតផល : R1D, relay ការពារលើសខ្វះ
- លក្ខណៈ :
* ម៉ូឌុល, កម្រិតប្រតិបត្តិការ 1, គម្របថ្លា
* ឧបករណ៍បំលែងចរន្ត toroidal ខាងក្រៅ
* កំហុស IΔn និងពេលវេលាពន្យាពេលអាចត្រូវបានកែតម្រូវ
* ការដំឡើងដោយស្វ័យប្រវត្តិ/ដោយដៃ (ដោយប៊ូតុងរុញខាងមុខ) - ថាមពល :
* ការផ្គត់ផ្គង់ថាមពលជំនួយ : 110VAC/DC-240VAC-415VAC
* ប្រេកង់បញ្ចូល៖ 50~60Hz
* កំណត់នៃចរន្ត : 0.025~0.25A (x0.1); 0.25~2.5A (x1); 2.5~25A (x10)
* កំណត់នៃចរន្ត : 4VA - ទិន្នផល :
* ស្ថានភាព៖ ដាច់ភ្លើងធម្មតា (ប្រភព)
* ចំនុចចំនួស : 1 SPDT បម្លែង
* កម្លាំងវ៉ាត់ ( ចំនុចចំនួស ) : 5A - 250VAC - មុខងារ : ការពារការលេចធ្លាយបច្ចុប្បន្ន
- សូចនាករ :
* LED ពណ៌បៃតង៖ ស្ថានភាពថាមពលសកម្ម (បើក)
* LED ពណ៌ក្រហម៖ សូចនាករការធ្វើដំណើរបញ្ជូនបន្ត - វ៉ុលជីពចរដែលបានកំណាត់ : 2.5kV trong 60s
- ធន់នឹងមេកានិច : 5.000.000 chu kỳ
- ធន់នឹងអគ្គីសនី : 300.000 chu kỳ
- រឹមកំដៅដំណើរការ :
* សីតុណ្ហភាពប្រតិបត្តិការ : -10ºC ~ 60ºC
* សីតុណ្ហភាពផ្ទុក : -20ºC ~ 80ºC - កម្រិតបំពុល : ≤ 95% RH
- សម្ភារៈ : សមាសធាតុ Polycarbonat ការពារអគ្គីភ័យ
- កម្រិតការពារ : ខាងមុខ IP40, ក្បាលកន្ទុយ IP20
- នៃការដំឡើង :
* ម៉ោនលើផ្ទៃឧបករណ៍
* បានម៉ោននៅលើផ្លូវដែក DIN 35mm - ទំហំ : 96 x 96 x 75 (mm)
- ទម្ងន់ : 0.280 Kg
- ដំណើរការវេចខ្ចប់ : 1 ស្ត្រី/ប្ដឹង - ទំហំ 115 x 120 x 92 (mm)
ទំហំ : Lovato relay R1D415
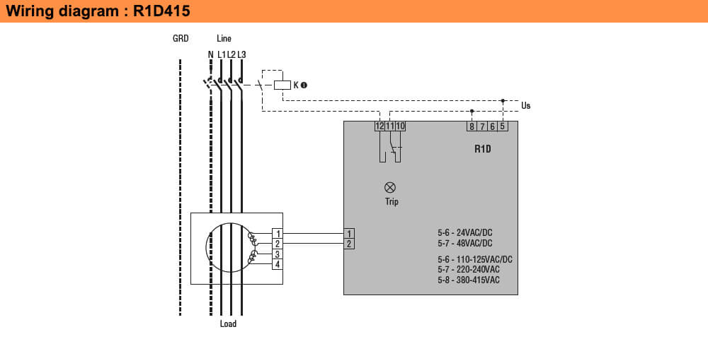
ដ្យាក្រាមតភ្ជាប់ : Lovato relay R1D415
លក្ខណៈបច្ចេកទេស : Lovato relay R1D415
Download ទាញយកឯកសារបច្ចេកទេស : Lovato relay R1D415
Download ទាញយកឯកសារបច្ចេកទេស Lovato Earth leakage relays
មតិយោបល់
ច័ន្ទ, 25 មីនា 2019
Lovato R1D415: Earth leakage relays - relayការពារ ផលិតផលដែលប្រើបានវិស្វករអគ្គិសនី

