Lovato RF829500: Thermal Overload Relay 70-95A relayកំដៅLovato 11RF9015: Thermal Overload Relay 0.09-0.15A relayកំដៅ
Lovato RF420300: Thermal Overload Relay 180-300A relayកំដៅ
Lovato RF420300: Thermal Overload Relay 180-300A relayកំដៅ
☼ ការពិពណ៌នាលក្ខណៈ៖
• relay ស៊េរីRF420, ការរចនាដ៏ស្រស់ស្អាត បង្រួម សម្ភារៈធន់នឹងភ្លើង
• ការពារកំហុសហ្វា កំហុសហ្វា ៣បង្គោល
• Có thể thiết cấu hình thủ công hoặc tự động
• Tự động khởi động lại thông qua nút nhấn ở mặt trước
• Khắc phục dễ dàng rơ le khi quá tải nhiệt xảy ra cho động cơ
• Việc sửa chữa rơle được thực hiện trong một thao tác duy nhất
• Kết nối và khắc phục dễ dàng khi rơ le quá tải nhiệt
• Có thể gắn độc lập hoặc gắn trực tiếp trên BF09… BF38…
• មានស្ថេរភាព ប្រើប្រាស់បានយូរ មុខងារប្រតិបត្តិការ
☼ ស្តង់ដារ៖
• CSA C22.2 n° 14 បញ្ជាក់
• វិញ្ញាបនប័ត្រ IEC/EN 60947-1, 60947-4-1
• UL 508 បញ្ជាក់
• អនុលោមតាម EAC, cULus
• ម៉ាក LOVATO (ផលិតនៅប្រទេសអ៊ីតាលី)
☼ កម្មវិធី៖
• ផ្ទេរចរន្តខ្លាំងទៅបន្ទុកផ្សេងទៀត។
• ញែកសៀគ្វីត្រួតពិនិត្យពីសៀគ្វីបន្ទុកអគ្គិសនី
• អាចគ្រប់គ្រង និងត្រួតពិនិត្យប្រព័ន្ធអគ្គិសនីទាំងមូល និងផ្តាច់សៀគ្វីឱ្យបានត្រឹមត្រូវ
• ប្រើសម្រាប់៖ មីក្រូវ៉េវ ទូទឹកកក ម៉ាស៊ីនបូមទឹក ម៉ាស៊ីនត្រជាក់...
• ប្រើសម្រាប់ឧបករណ៍អគ្គិសនីឧស្សាហកម្ម និងស៊ីវិលភាគច្រើន ...
☼ ការពិពណ៌នាលក្ខណៈ៖
• relay ស៊េរីRF420, ការរចនាដ៏ស្រស់ស្អាត បង្រួម សម្ភារៈធន់នឹងភ្លើង
• ការពារកំហុសហ្វា កំហុសហ្វា ៣បង្គោល
• Có thể thiết cấu hình thủ công hoặc tự động
• Tự động khởi động lại thông qua nút nhấn ở mặt trước
• Khắc phục dễ dàng rơ le khi quá tải nhiệt xảy ra cho động cơ
• Việc sửa chữa rơle được thực hiện trong một thao tác duy nhất
• Kết nối và khắc phục dễ dàng khi rơ le quá tải nhiệt
• Có thể gắn độc lập hoặc gắn trực tiếp trên BF09… BF38…
• មានស្ថេរភាព ប្រើប្រាស់បានយូរ មុខងារប្រតិបត្តិការ
☼ ស្តង់ដារ៖
• CSA C22.2 n° 14 បញ្ជាក់
• វិញ្ញាបនប័ត្រ IEC/EN 60947-1, 60947-4-1
• UL 508 បញ្ជាក់
• អនុលោមតាម EAC, cULus
• ម៉ាក LOVATO (ផលិតនៅប្រទេសអ៊ីតាលី)
☼ កម្មវិធី៖
• ផ្ទេរចរន្តខ្លាំងទៅបន្ទុកផ្សេងទៀត។
• ញែកសៀគ្វីត្រួតពិនិត្យពីសៀគ្វីបន្ទុកអគ្គិសនី
• អាចគ្រប់គ្រង និងត្រួតពិនិត្យប្រព័ន្ធអគ្គិសនីទាំងមូល និងផ្តាច់សៀគ្វីឱ្យបានត្រឹមត្រូវ
• ប្រើសម្រាប់៖ មីក្រូវ៉េវ ទូទឹកកក ម៉ាស៊ីនបូមទឹក ម៉ាស៊ីនត្រជាក់...
• ប្រើសម្រាប់ឧបករណ៍អគ្គិសនីឧស្សាហកម្ម និងស៊ីវិលភាគច្រើន ...
Description
Lovato relay RF420300
- បន្ទាត់ផលិតផល : RF420, relay ការពារម៉ាស៊ីន
- លក្ខណៈ :
* ប្រព័ន្ធ៖ 3 ហ្វា (3P)
* ការតភ្ជាប់: ភ្ជាប់ជាមួយ transformer បច្ចុប្បន្ន
* របៀបដំឡើង៖ ការដំឡើងដោយដៃ - ថាមពល :
* តង់ស្យុងដែលបានវាយតម្លៃ: 690V
* ប្រេកង់បញ្ចូល៖ 0 ~ 400Hz
* តូចរន្តចលនា : 180 ~ 300A
* កម្លាំងវ៉ាត់ : 100-162kW - មុខងារ :
* កំហុសហ្វា ដំណាក់កាល១ហ្វា
* ការប្រឆាំងនឹងការឡើងកំដៅ ការការពារម៉ូទ័រ - វ៉ុលអ៊ីសូឡង់កំណត់ : 1000V
- វ៉ុលជីពចរដែលបានកំណាត់ : 6kV
- រឹមកំដៅដំណើរការ :
* សីតុណ្ហភាពប្រតិបត្តិការ : -25ºC ~ 60ºC
* សីតុណ្ហភាពផ្ទុក : -55ºC ~ 70ºC - សំណើមដែលអាចអនុញ្ញាតបាន។: 3
- កម្រិតបំពុល : ≤ 95% RH
- សម្ភារៈ : Polyamid ការពារអគ្គីភ័យ
- កម្រិតការពារ : IP20 (ខាងមុខ)
- នៃការដំឡើង :
* ភ្ជាប់ដោយទ្បែកនៅលើ DINឬលើកុងតាក់ទ៏រ
* ភ្ជាប់ផ្ទាល់លើ BF195..., BF230...
* កម្រិតកំពស់ដោយ : 3000m - ទម្ងន់ : 2.460 Kg
- ដំណើរការវេចខ្ចប់ : 1 ស្ត្រី/ប្ដឹង - ទំហំ 150 x 152 x 178 (mm)
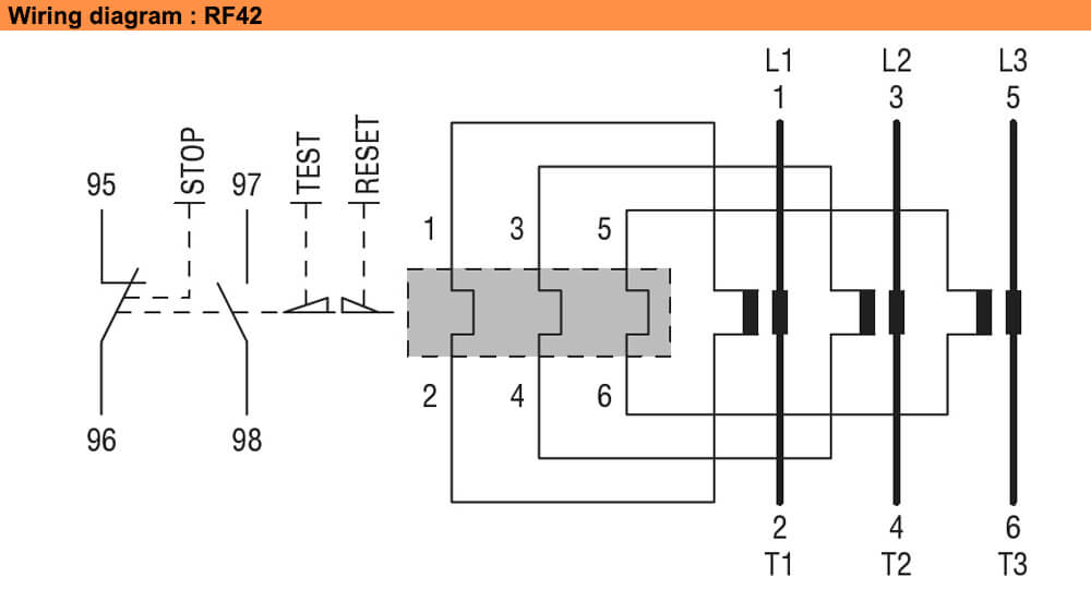
ដ្យាក្រាមតភ្ជាប់ : Lovato relay RF420300
លក្ខណៈបច្ចេកទេស : Lovato relay RF420300
Download ទាញយកឯកសារបច្ចេកទេស : Lovato relay RF420300
Download ទាញយកឯកសារបច្ចេកទេស Lovato Thermal overload relay
មតិយោបល់
ច័ន្ទ, 25 មីនា 2019
Lovato RF420300: Thermal Overload Relay 180-300A relayកំដៅ ផលិតផលដែលប្រើបានវិស្វករអគ្គិសនី

