Lovato PMVF80: Interface protection relay - relayត្រួតពិនិត្យLovato PMA20240: Voltage monitoring relays - relayត្រួតពិនិត្យ
Lovato PMVF51: Interface protection relay - relayត្រួតពិនិត្យ
Lovato PMVF51: Interface protection relay - relayត្រួតពិនិត្យ
☼ ការពិពណ៌នាលក្ខណៈ៖
• Relay កំណែម៉ូឌុល ការត្រួតពិនិត្យប្រព័ន្ធ 1 ដំណាក់កាល, 3 pha, không trung tính
• ការការពារឯកតាប្រព័ន្ធចំណុចប្រទាក់យោងទៅតាមស្តង់ដារ CEI 0-21
• តាមដានការបាត់បង់ដំណាក់កាល និងលំដាប់ដំណាក់កាលមិនត្រឹមត្រូវ
• គ្រប់គ្រងក្រោមបន្ទុក និងលើសទម្ងន់នៃម៉ូទ័រ ថាមពលជំនួយ AC
• ត្រួតពិនិត្យកម្រិតប្រតិបត្តិការ 2 វ៉ុលអតិបរមា/នាទី និងការការពារប្រេកង់
• បំពាក់ដោយធាតុបញ្ចូលចំនួន 4 ជាមួយនឹងមុខងារផ្តល់មតិលើស្ថានភាព DDI, DDI បើក/បិទ
• ការទំនាក់ទំនងបរាជ័យបណ្តាញ ការគ្រប់គ្រងមូលដ្ឋានសម្រាប់ការជ្រើសរើសប្រេកង់
• អាចកាត់ផ្តាច់ពីចម្ងាយ បើកឧបករណ៍បម្រុងទុក និងការជូនដំណឹងកម្មវិធី
• បង្កើតសញ្ញាដោយស្វ័យប្រវត្តិក្នុងករណីអតុល្យភាពដំណាក់កាល
• លំនៅដ្ឋានម៉ូឌុល DIN 43880, 6 ម៉ូឌុល សម្ភារៈ Polyamide ធន់នឹងភ្លើង
• ភ្ជាប់នៅលើផ្លូវដែក DIN 35mm វីសស្ថានីយនៅនឹងកន្លែង
☼ ស្តង់ដារ៖
• វិញ្ញាបនប័ត្រ Italian CEI 0-21
• បំពេញតាមស្តង់ដារ IEC/EN/BS 60255-27; 61010-1; 61000-6-2,3
• ម៉ាក LOVATO (ផលិតនៅប្រទេសអ៊ីតាលី)
☼ កម្មវិធី៖
• Ứng dụng trong điều khiển động cơ, giám sát và bảo vệ máy bơm, chống chạy khô
• វាស់ និងត្រួតពិនិត្យប៉ារ៉ាម៉ែត្រ៖ សីតុណ្ហភាព ចរន្ត វ៉ុល ជៀសវាងការធ្លាក់ចុះតង់ស្យុង និងវ៉ុលលើស
• ត្រួតពិនិត្យវ៉ុល 1 ដំណាក់កាល 3 ដំណាក់កាល គ្មានអព្យាក្រឹត ការបាត់បង់ដំណាក់កាល មិនសមតុល្យ លំដាប់ដំណាក់កាលខុស ...
☼ ការពិពណ៌នាលក្ខណៈ៖
• Relay កំណែម៉ូឌុល ការត្រួតពិនិត្យប្រព័ន្ធ 1 ដំណាក់កាល, 3 pha, không trung tính
• ការការពារឯកតាប្រព័ន្ធចំណុចប្រទាក់យោងទៅតាមស្តង់ដារ CEI 0-21
• តាមដានការបាត់បង់ដំណាក់កាល និងលំដាប់ដំណាក់កាលមិនត្រឹមត្រូវ
• គ្រប់គ្រងក្រោមបន្ទុក និងលើសទម្ងន់នៃម៉ូទ័រ ថាមពលជំនួយ AC
• ត្រួតពិនិត្យកម្រិតប្រតិបត្តិការ 2 វ៉ុលអតិបរមា/នាទី និងការការពារប្រេកង់
• បំពាក់ដោយធាតុបញ្ចូលចំនួន 4 ជាមួយនឹងមុខងារផ្តល់មតិលើស្ថានភាព DDI, DDI បើក/បិទ
• ការទំនាក់ទំនងបរាជ័យបណ្តាញ ការគ្រប់គ្រងមូលដ្ឋានសម្រាប់ការជ្រើសរើសប្រេកង់
• អាចកាត់ផ្តាច់ពីចម្ងាយ បើកឧបករណ៍បម្រុងទុក និងការជូនដំណឹងកម្មវិធី
• បង្កើតសញ្ញាដោយស្វ័យប្រវត្តិក្នុងករណីអតុល្យភាពដំណាក់កាល
• លំនៅដ្ឋានម៉ូឌុល DIN 43880, 6 ម៉ូឌុល សម្ភារៈ Polyamide ធន់នឹងភ្លើង
• ភ្ជាប់នៅលើផ្លូវដែក DIN 35mm វីសស្ថានីយនៅនឹងកន្លែង
☼ ស្តង់ដារ៖
• វិញ្ញាបនប័ត្រ Italian CEI 0-21
• បំពេញតាមស្តង់ដារ IEC/EN/BS 60255-27; 61010-1; 61000-6-2,3
• ម៉ាក LOVATO (ផលិតនៅប្រទេសអ៊ីតាលី)
☼ កម្មវិធី៖
• Ứng dụng trong điều khiển động cơ, giám sát và bảo vệ máy bơm, chống chạy khô
• វាស់ និងត្រួតពិនិត្យប៉ារ៉ាម៉ែត្រ៖ សីតុណ្ហភាព ចរន្ត វ៉ុល ជៀសវាងការធ្លាក់ចុះតង់ស្យុង និងវ៉ុលលើស
• ត្រួតពិនិត្យវ៉ុល 1 ដំណាក់កាល 3 ដំណាក់កាល គ្មានអព្យាក្រឹត ការបាត់បង់ដំណាក់កាល មិនសមតុល្យ លំដាប់ដំណាក់កាលខុស ...
Description
Lovato relay PMVF51
- បន្ទាត់ផលិតផល : PMVF51, relay ការពារចំណុចប្រទាក់ឯកតាប្រព័ន្ធ
- លក្ខណៈ :
* ប្រព័ន្ធ៖ 1 ហ្វា, 3 ហ្វា ព្រមឬមិនព្រម គ្មានអព្យាក្រឹត
* កម្រិតសកម្មភាពទ្វេ
* ការពារវ៉ុល និងប្រេកង់អតិបរមា/នាទី - ថាមពល :
* វ៉ុលប្រតិបត្តិការ : 85~264VAC - 93.5~300VDC
* ប្រេកង់ដែលបានវាយតម្លៃ : 45 ~ 55Hz
* ការផ្គត់ផ្គង់ថាមពលជំនួយ : 100~240VAC - 110~250VDC
* កម្លាំងវ៉ាត់ : 4.6VA/2.5W (110VAC), 12.5VA/2.7W (230VAC) - សៀគ្វីត្រួតពិនិត្យ :
* កំណត់នៃចរន្ត : CT / 5A / 1A - បញ្ចូល :
* Đầu vào kỹ thuật số : 4 PNP
* Điện áp vào : 12VDC (cách điện)
* Dòng vào : 7mA - ទិន្នផល :
* តូលេខrelayចេញ : 2
* ស្ថានភាព : ថាមពលអាចប្រើបាន ឬថាមពលធម្មតាត្រូវបានបាត់បង់
* ចំនុចចំនួស : 1 SPDT ការបំប្លែងសម្រាប់ចំណុចនីមួយៗ
* វ៉ុលដែលបានវាយតម្លៃ : 250VAC - មុខងារ :
* កំណែម៉ូឌុល module : 6U
* ការពារចំណុចប្រទាក់ឯកតាប្រព័ន្ធ - វ៉ុលអ៊ីសូឡង់កំណត់ : 250V
- សម្ភារៈ : Polyamide ការពារអគ្គីភ័យ
- កម្រិតការពារ : ខាងមុខ IP40, ក្បាលកន្ទុយ IP20
- នៃការដំឡើង :
* បានម៉ោននៅលើផ្លូវដែក DIN 35mm
* ៦ module វីសក្បាលកន្ទុយ - ទំហំ : 108 x 105.4 x 63 (mm)
- ទម្ងន់ : 0.470 Kg
- ដំណើរការវេចខ្ចប់ : 1 ស្ត្រី/ប្ដឹង - ទំហំ 150 x 110 x 90 (mm)
ទំហំ : Lovato relay PMVF51
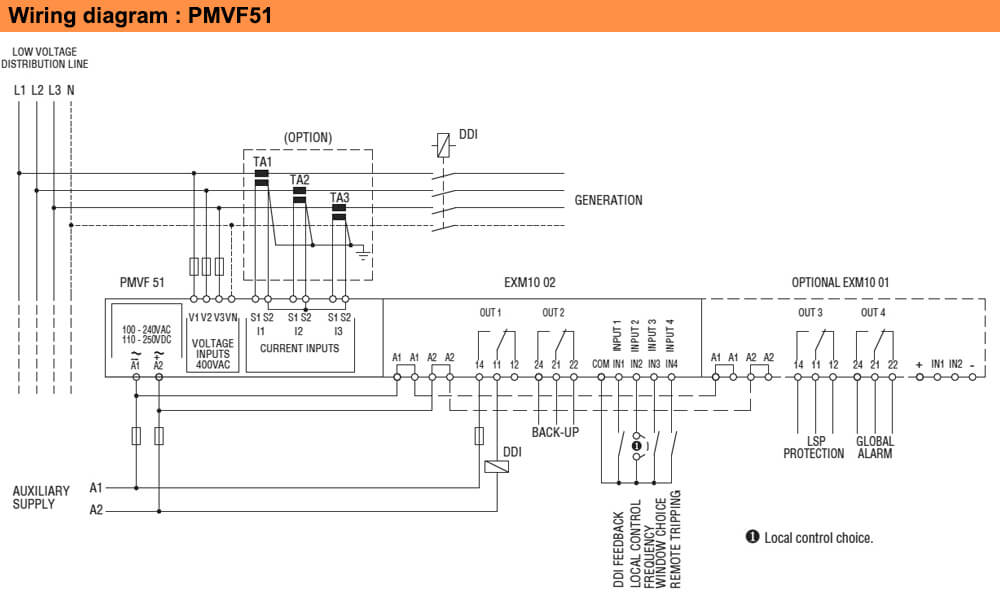
ដ្យាក្រាមតភ្ជាប់ : Lovato relay PMVF51
លក្ខណៈបច្ចេកទេស : Lovato relay PMVF51
Download ទាញយកឯកសារបច្ចេកទេស : Lovato relay PMVF51
Download ទាញយកឯកសារបច្ចេកទេស Lovato Monitoring Relay
មតិយោបល់
ច័ន្ទ, 25 មីនា 2019
Lovato PMVF51: Interface protection relay - relayត្រួតពិនិត្យ ផលិតផលដែលប្រើបានវិស្វករអគ្គិសនី

