Yaskawa CIMR-LT4A0216AAC : Inverter អាំងវឺរទ័រ 110 kW - 147.5 HP ( បន្ទុកធ្ងន់ : 216 kW - 290 HP )Yaskawa CIMR-LT2A0008FAC : Inverter អាំងវឺរទ័រ 1.5 kW - 2 HP ( បន្ទុកធ្ងន់ : 8 kW - 11 HP )
Yaskawa CIMR-LT2A0018FAC : Inverter អាំងវឺរទ័រ 3.7 kW - 5 HP ( បន្ទុកធ្ងន់ : 17.5 kW - 23.5 HP )
អាំងវឺរទ័រYaskawa CIMR-LT2A0018FAC : 3.7 kW - 5 HP ( បន្ទុកធ្ងន់ 17.5 kW - 23.5 HP )
- ការរចនាល្អឥតខ្ចោះ អាយុកាលសេវាកម្មបន្ត 10 ឆ្នាំ/24 ម៉ោង/ថ្ងៃ
- កម្មវិធី៖ ឯកទេសសម្រាប់ជណ្តើរយន្ត
- ឧបករណ៍បញ្ជា PID រួមបញ្ចូលគ្នា, ការទំនាក់ទំនង CANopen
- អេក្រង់ LCD, ខ្សែបន្ថែម, កាត I/O, កាតត្រួតពិនិត្យល្បឿនបញ្ជូន
- ធ្វើសមកាលកម្ម, អសមកាល, ការគ្រប់គ្រងម៉ូទ័រមិនដំណើរការ
- កម្រិតការពារ IP20 (បិទ)
- មានល្បឿនលឿន ស្ថេរភាព សុវត្ថិភាព កម្លាំងបង្វិលជុំចាប់ផ្តើមប្រឆាំងនឹងការរំញ័រ
មុខងារការពារម៉ូទ័រភ្លាមៗ ចរន្តលើសវ៉ុល លើសកំដៅ ការបាត់បង់វ៉ុល ការធ្លាក់ចុះតង់ស្យុង...
- មុខងារដើម្បីរកឃើញល្បឿនម៉ាស៊ីនដោយស្វ័យប្រវត្តិពេលថាមពលបាត់បង់ដោយប្រើឧបករណ៍ចាប់ល្បឿន
- មុខងារ KEB ធ្វើឱ្យម៉ាស៊ីនមានស្ថេរភាពនៅពេលដែលថាមពលបាត់បង់ដោយប្រើថាមពលបង្កើតឡើងវិញ
សមត្ថភាពគ្រប់គ្រងដោយ Sensorless (មិនត្រូវការឧបករណ៍បញ្ជាបន្ថែម)
- ការបញ្ចូលឌីជីថលពហុមុខងារ ការបញ្ចូលសេចក្តីយោងប្រេកង់ ការបញ្ចូលសុវត្ថិភាព
ទិន្នផលឯកោអុបទិកពហុមុខងារ, ការជូនដំណឹងអំពីកំហុសនៃការបញ្ជូនត, លទ្ធផលឌីជីថលពហុមុខងារ, ការត្រួតពិនិត្យសុវត្ថិភាព
- ឧបករណ៍ពង្រីក៖
* អេក្រង់ប្រតិបត្តិការ LCD
* រ៉េអាក់ទ័រ AC រ៉េអាក់ទ័រ DC
* ឧបករណ៍ចាប់ហ្វ្រាំង ប្រដាប់ទប់ហ្វ្រាំង តម្រងសំឡេង
* ខ្សែបន្ថែម កាត I/O កាតត្រួតពិនិត្យល្បឿនបញ្ជូន
- កម្រិតនៃការការពារ៖ IP00 (បើកគម្រប Inverter), IP20 (បិទគម្រប)
- ងាយស្រួលរៀបចំ និងដំណើរការ។ មុខងារលៃតម្រូវដោយស្វ័យប្រវត្តិ
- ស្តង់ដារអន្តរជាតិ RoHS
- ម៉ាក Yaskawa (ជប៉ុន)
- ការរចនាល្អឥតខ្ចោះ អាយុកាលសេវាកម្មបន្ត 10 ឆ្នាំ/24 ម៉ោង/ថ្ងៃ
- កម្មវិធី៖ ឯកទេសសម្រាប់ជណ្តើរយន្ត
- ឧបករណ៍បញ្ជា PID រួមបញ្ចូលគ្នា, ការទំនាក់ទំនង CANopen
- អេក្រង់ LCD, ខ្សែបន្ថែម, កាត I/O, កាតត្រួតពិនិត្យល្បឿនបញ្ជូន
- ធ្វើសមកាលកម្ម, អសមកាល, ការគ្រប់គ្រងម៉ូទ័រមិនដំណើរការ
- កម្រិតការពារ IP20 (បិទ)
- មានល្បឿនលឿន ស្ថេរភាព សុវត្ថិភាព កម្លាំងបង្វិលជុំចាប់ផ្តើមប្រឆាំងនឹងការរំញ័រ
មុខងារការពារម៉ូទ័រភ្លាមៗ ចរន្តលើសវ៉ុល លើសកំដៅ ការបាត់បង់វ៉ុល ការធ្លាក់ចុះតង់ស្យុង...
- មុខងារដើម្បីរកឃើញល្បឿនម៉ាស៊ីនដោយស្វ័យប្រវត្តិពេលថាមពលបាត់បង់ដោយប្រើឧបករណ៍ចាប់ល្បឿន
- មុខងារ KEB ធ្វើឱ្យម៉ាស៊ីនមានស្ថេរភាពនៅពេលដែលថាមពលបាត់បង់ដោយប្រើថាមពលបង្កើតឡើងវិញ
សមត្ថភាពគ្រប់គ្រងដោយ Sensorless (មិនត្រូវការឧបករណ៍បញ្ជាបន្ថែម)
- ការបញ្ចូលឌីជីថលពហុមុខងារ ការបញ្ចូលសេចក្តីយោងប្រេកង់ ការបញ្ចូលសុវត្ថិភាព
ទិន្នផលឯកោអុបទិកពហុមុខងារ, ការជូនដំណឹងអំពីកំហុសនៃការបញ្ជូនត, លទ្ធផលឌីជីថលពហុមុខងារ, ការត្រួតពិនិត្យសុវត្ថិភាព
- ឧបករណ៍ពង្រីក៖
* អេក្រង់ប្រតិបត្តិការ LCD
* រ៉េអាក់ទ័រ AC រ៉េអាក់ទ័រ DC
* ឧបករណ៍ចាប់ហ្វ្រាំង ប្រដាប់ទប់ហ្វ្រាំង តម្រងសំឡេង
* ខ្សែបន្ថែម កាត I/O កាតត្រួតពិនិត្យល្បឿនបញ្ជូន
- កម្រិតនៃការការពារ៖ IP00 (បើកគម្រប Inverter), IP20 (បិទគម្រប)
- ងាយស្រួលរៀបចំ និងដំណើរការ។ មុខងារលៃតម្រូវដោយស្វ័យប្រវត្តិ
- ស្តង់ដារអន្តរជាតិ RoHS
- ម៉ាក Yaskawa (ជប៉ុន)
Description
អាំងវឺរទ័រYaskawa CIMR-LT2A0018FAC Inverter 3.7 kW, 5 HP ( បន្ទុកធ្ងន់ 17.5 kW, 23.5 HP )
- ការផ្គត់ផ្គង់ថាមពល : 3 ហ្វារ 200 ~ 240V, 50/60 Hz
- ថាមពល៖ 3.7 kW - 5 HP ( បន្ទុកធ្ងន់ : 17.5 kW - 23.5 HP )
- វិមាត្រ៖ 140 x 260 x 164 (mm)
- ទម្ងន់ : 3.5 Kg
របៀបជ្រើសរើសលេខកូដ អាំងវឺរទ័រYaskawa CIMR-LT2A0018FAC : 3.7 kW - 5 HP ( tải nặng 17.5 kW - 23.5 HP )
រចនាសម្ព័ន្ធ អាំងវឺរទ័រYaskawa CIMR-LT2A0018FAC : 3.7 kW - 5 HP ( tải nặng 17.5 kW - 23.5 HP )
ទំហំ អាំងវឺរទ័រYaskawa CIMR-LT2A0018FAC : 3.7 kW - 5 HP ( tải nặng 17.5 kW - 23.5 HP )
លក្ខណៈបច្ចេកទេស អាំងវឺរទ័រYaskawa CIMR-LT2A0018FAC : 3.7 kW - 5 HP ( tải nặng 17.5 kW - 23.5 HP )
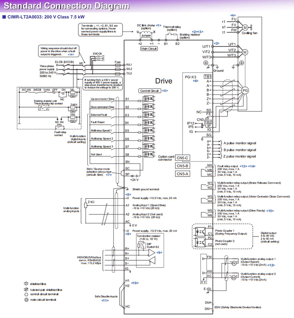
របៀបភ្ជាប់ អាំងវឺរទ័រYaskawa CIMR-LT2A0018FAC : 3.7 kW - 5 HP ( tải nặng 17.5 kW - 23.5 HP )
Download ឯកសារបច្ចេកទេស អាំងវឺរទ័រYaskawa CIMR-LT2A0018FAC : 3.7 kW - 5 HP ( tải nặng 17.5 kW - 23.5 HP )
មតិយោបល់
អង្គារ, 15 មិថុនា 2021
ឧបករណ៍នេះអាចប្រើបានមុខងារជំនាយសំភារះ

