INVT GD350-7R5G-4 : Inverter អាំងវឺរទ័រ 3 ហ្វារ 7.5kW 380V~440V ACINVT GD350-004G-4 : Inverter អាំងវឺរទ័រ 3 ហ្វារ 4kW 380V~440V AC
INVT GD350-110G-4 : Inverter អាំងវឺរទ័រ 3 ហ្វារ 110kW 380V~440V AC
អាំងវឺរទ័រ INVT GD350-110G-4 3P 110kW 380V~440V AC
ប្រើសម្រាប់ឧបករណ៍បោះពុម្ព ការវេចខ្ចប់ ខ្សែរលួស ម៉ាស៊ីនកាត់ ម៉ាស៊ីនវាយនភ័ណ្ឌ ...
- ប្រសិទ្ធភាពខ្ពស់ ឆ្លាតវៃ ប្រភេទ Inverter ពហុមុខងារ។
- ការធ្វើមាត្រដ្ឋានអាចបត់បែនបាន ជាមួយនឹងកាត PG, PLC, IO និងកាតទំនាក់ទំនង
- គាំទ្រកាតពង្រីកស្រេចចិត្ត៖ អ៊ីសឺរណិត, CANopen, Profibus DP, Bluetooth, Profinet ។
- ការរចនាផ្ទាល់ខ្លួន ភាពបត់បែន ការតភ្ជាប់ឥតខ្សែ ការត្រួតពិនិត្យពីចម្ងាយ និងប្រតិបត្តិការ...
- ជម្រើសដែលភ្ជាប់មកជាមួយ IEC 61800-3 C3 ឬ C2 តម្រង។
- ម៉ាក Shenzhen INVT (ប្រទេសចិន)
ប្រើសម្រាប់ឧបករណ៍បោះពុម្ព ការវេចខ្ចប់ ខ្សែរលួស ម៉ាស៊ីនកាត់ ម៉ាស៊ីនវាយនភ័ណ្ឌ ...
- ប្រសិទ្ធភាពខ្ពស់ ឆ្លាតវៃ ប្រភេទ Inverter ពហុមុខងារ។
- ការធ្វើមាត្រដ្ឋានអាចបត់បែនបាន ជាមួយនឹងកាត PG, PLC, IO និងកាតទំនាក់ទំនង
- គាំទ្រកាតពង្រីកស្រេចចិត្ត៖ អ៊ីសឺរណិត, CANopen, Profibus DP, Bluetooth, Profinet ។
- ការរចនាផ្ទាល់ខ្លួន ភាពបត់បែន ការតភ្ជាប់ឥតខ្សែ ការត្រួតពិនិត្យពីចម្ងាយ និងប្រតិបត្តិការ...
- ជម្រើសដែលភ្ជាប់មកជាមួយ IEC 61800-3 C3 ឬ C2 តម្រង។
- ម៉ាក Shenzhen INVT (ប្រទេសចិន)
Description
INVT GD350-110G-4 - អាំងវឺរទ័រ 3 ហ្វារ 110kW 380V~440V AC
- វ៉ុលផ្គត់ផ្គង់ : 3 ហ្វារ 380V~440V AC 50/60 Hz
- ថាមពលដែលបានវាយតម្លៃ : 110 kW
- ថាមពលបញ្ចេញ : 201 kVA
- ការវាយតម្លៃបច្ចុប្បន្ន : 215 A
- ជួរសីតុណ្ហភាពប្រតិបត្តិការ : -10°C ~ +50°C (កាត់បន្ថយថាមពលនៅ 40°C)
- សមត្ថភាពផ្ទុកលើសទម្ងន់ : 200% ក្នុង 1s; 210% ក្នុង 60s; 180% ក្នុង 10s
- ទំហំ : 338 x 554 x 330 (mm)
- ទម្ងន់ : 52 Kg
- ស្ដង់ដារ : IEC 61800-3; EN 61800-5-1:2007, 2004/108/EC
របៀបជ្រើសរើសលេខកូដ INVT GD350-110G-4 - អាំងវឺរទ័រ 3P 110 kW 380V~440V AC
រចនាសម្ព័ន្ធ INVT GD350-110G-4 - អាំងវឺរទ័រ 3P 110 kW 380V~440V AC
ទំហំ INVT GD350-110G-4 - អាំងវឺរទ័រ 3P 110 kW 380V~440V AC
លក្ខណៈបច្ចេកទេស INVT GD350-110G-4 - អាំងវឺរទ័រ 3P 110 kW 380V~440V AC
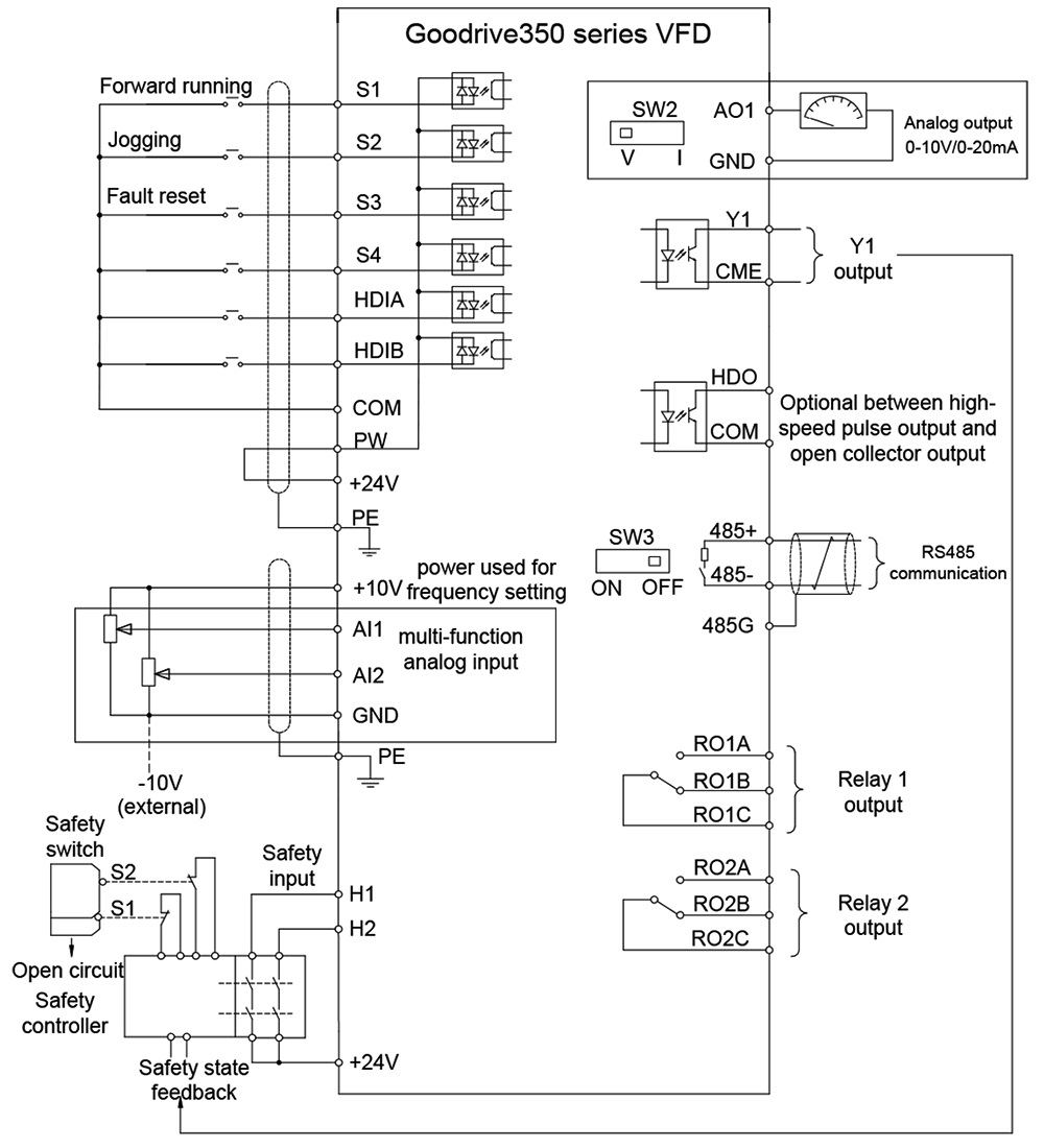
ដ្យាក្រាមតភ្ជាប់ INVT GD350-110G-4 - អាំងវឺរទ័រ 3P 110 kW 380V~440V AC
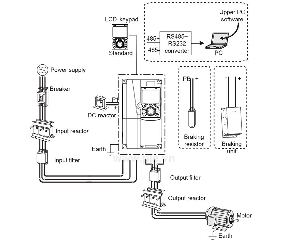
ការភ្ជាប់ឧបករណ៍ INVT GD350-110G-4 - អាំងវឺរទ័រ 3P 110 kW 380V~440V AC
Download ឯកសារបច្ចេកទេស catalogue INVT GD350-110G-4 - អាំងវឺរទ័រ 3P 110 kW 380V~440V AC
មតិយោបល់
អង្គារ, 15 មិថុនា 2021
អាំងវឺរទ័រINVT GD350-110G-4 3 ហ្វារ 110kW 380V~440V AC : នេះគឺជាស៊េរី Inverter ពហុមុខងារទំនើបបំផុតរបស់ INVT ជាមួយនឹងបច្ចេកវិជ្ជាគ្រប់គ្រងវ៉ិចទ័រឈានមុខគេលើពិភពលោក បំពេញតាមតម្រូវការនៃការគ្រប់គ្រងចម្រុះ មានភាពត្រឹមត្រូវដល់±1ជីពចរជាមួយនឹងបច្ចេកវិទ្យាតម្រងឌីជីថលតែមួយគត់។ ផលិតផលស្ថិតក្នុងផ្នែកពេញនិយមបំផុត ហើយត្រូវបានទទួលយ៉ាងល្អពីអតិថិជនមុខងារជំនាយសំភារះ

