INVT GD310-7R5P-4-UL : Inverter អាំងវឺរទ័រ 3 ហ្វារ 7.5kW 380V~480VINVT GD310-004G-2-UL : Inverter អាំងវឺរទ័រ 3 ហ្វារ 4kW 200V~240V
INVT GD310-022G-2-UL : Inverter អាំងវឺរទ័រ 3 ហ្វារ 22kW 200V~240V
អាំងវឺរទ័រ INVT GD310-022G-2-UL 3P 22kW 200V~240V
ប្រើសម្រាប់ឧបករណ៍ម៉ាស៊ីន វាយនភ័ណ្ឌ ប្រេងឥន្ធនៈ ...
- ប្រើប្រាស់បច្ចេកវិទ្យា V/F បែបវ៉ិចទ័រ ប្រសិទ្ធភាពខ្ពស់ គ្មានការថែទាំ។
- ការរចនាបំពង់ខ្យល់ អាចបត់បែនបាន ដំណើរការមានស្ថេរភាព
- ជម្រើសដែលភ្ជាប់មកជាមួយ IEC 61800-3 C3 ឬ C2 តម្រង។
- ធ្វើឱ្យប្រសើរឡើងនូវការកំណត់រចនាសម្ព័ន្ធផ្នែករឹង និងកម្មវិធី ងាយស្រួលដំឡើង។
- ម៉ាក Shenzhen INVT (ប្រទេសចិន)
ប្រើសម្រាប់ឧបករណ៍ម៉ាស៊ីន វាយនភ័ណ្ឌ ប្រេងឥន្ធនៈ ...
- ប្រើប្រាស់បច្ចេកវិទ្យា V/F បែបវ៉ិចទ័រ ប្រសិទ្ធភាពខ្ពស់ គ្មានការថែទាំ។
- ការរចនាបំពង់ខ្យល់ អាចបត់បែនបាន ដំណើរការមានស្ថេរភាព
- ជម្រើសដែលភ្ជាប់មកជាមួយ IEC 61800-3 C3 ឬ C2 តម្រង។
- ធ្វើឱ្យប្រសើរឡើងនូវការកំណត់រចនាសម្ព័ន្ធផ្នែករឹង និងកម្មវិធី ងាយស្រួលដំឡើង។
- ម៉ាក Shenzhen INVT (ប្រទេសចិន)
Description
INVT GD310-022G-2-UL - អាំងវឺរទ័រ 3 ហ្វារ 22kW 200V~240V
- វ៉ុលផ្គត់ផ្គង់ : 3 ហ្វារ 200V~240V 50/60 Hz
- ថាមពលដែលបានវាយតម្ : 22 kW
- ថាមពលបញ្ចេញ : 81 kVA
- ការវាយតម្លៃបច្ចុប្បន្ : 80 A
- ជួរសីតុណ្ហភាពប្រតិបត្តិការ : -10°C ~ +50°C (កាត់បន្ថយថាមពលនៅ 40°C)
- សមត្ថភាពផ្ទុកលើសទម្ងន់ : 200% ក្នុង 1s; 210% ក្នុង 60s; 180% ក្នុង 10s
- ទំហំ : 270 x 555 X 325 (mm)
- ទម្ងន់ : 32 Kg
- ស្ដង់ដារ : IEC 61800-3; EN 61800-5-1:2007, 2004/108/EC
របៀបជ្រើសរើសលេខកូដ INVT GD310-022G-2-UL - អាំងវឺរទ័រ 3P 22 kW 200V~240V
រចនាសម្ព័ន្ធ INVT GD310-022G-2-UL - អាំងវឺរទ័រ 3P 22 kW 200V~240V
ទំហំ INVT GD310-022G-2-UL - អាំងវឺរទ័រ 3P 22 kW 200V~240V
លក្ខណៈបច្ចេកទេស INVT GD310-022G-2-UL - អាំងវឺរទ័រ 3P 22 kW 200V~240V
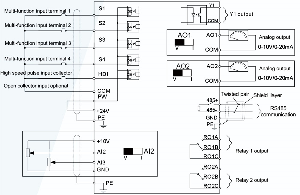
ដ្យាក្រាមតភ្ជាប់ INVT GD310-022G-2-UL - អាំងវឺរទ័រ 3P 22 kW 200V~240V
ការភ្ជាប់ឧបករណ៍ INVT GD310-022G-2-UL - អាំងវឺរទ័រ 3P 22 kW 200V~240V
Download ឯកសារបច្ចេកទេស catalogue INVT GD310-022G-2-UL - អាំងវឺរទ័រ 3P 22 kW 200V~240V
មតិយោបល់
អង្គារ, 15 មិថុនា 2021
អាំងវឺរទ័រINVT GD310-022G-2-UL 3 ហ្វារ 22kW 200V~240V : ជាមួយនឹងការរចនា និងការកំណត់រចនាសម្ព័ន្ធប្រសើរឡើង វាងាយស្រួលដំឡើង និងដំណើរការល្អក្នុងការប្រើប្រាស់មុខងារជំនាយសំភារះ

