Hitachi WJ200N-150HFC : Inverter អាំងវឺរទ័រ 15 kW, 20 HPHitachi WJ200N-004HFC : Inverter អាំងវឺរទ័រ 0.4 kW, 0.5 HP
Hitachi WJ200N-022SFC : Inverter អាំងវឺរទ័រ 2.2 kW, 3 HP
អាំងវឺរទ័រHitachi WJ200N-022SFC 2.2 kW 3 HP
- ស៊េរី Inverter ដំណើរការខ្ពស់ មុខងារល្អ បច្ចេកវិទ្យាខ្ពស់។
- កម្មវិធីសម្រាប់បន្ទុកធ្ងន់៖ ការបញ្ចោញ, conveyors, លើកទំនិញ, កូរ, ត្បាញ, ប្រព័ន្ធម៉ាស៊ីន...
- កម្លាំងបង្វិលជុំចាប់ផ្តើមខ្ពស់: 200% (SLV-CT)
- ការទំនាក់ទំនង RS485, ModBus RTU
- មុខងាររត់តាមលំដាប់លំដោយ ជំនួសកម្មវិធី PLC សាមញ្ញមួយចំនួន។
- មុខងារនៃកម្លាំងបង្វិលជុំ / ចរន្តវាយតម្លៃអាចត្រូវបានកំណត់ដើម្បីការពារម៉ាស៊ីន និងឧបករណ៍
- ការការពារប្រឆាំងនឹងការបាត់បង់ដំណាក់កាល, លើសចរន្ត, លើសទម្ងន់, លើសសីតុណ្ហភាព, នៅក្រោមវ៉ុល ...
- 120% សមត្ថភាពផ្ទុកលើសទម្ងន់សម្រាប់ 60s (ផ្ទុកធម្មតា); 150% សម្រាប់ 60s (បន្ទុកធ្ងន់)
ប្រតិបត្តិការមានស្ថេរភាពនៅប្រេកង់ទាប (0.5Hz)
Built-in BusDC AVR មានមុខងារការពារចរន្តលើស
ភ្ជាប់មកជាមួយ៖ បន្ទះក្ដារចុច ឧបករណ៍វាស់ស្ទង់ថាមពល ការបញ្ចូល DI ទិន្នផលរ៉ាឡេ
- ថ្នាក់ការពារ IP20
- សមាសធាតុជាប់បានយូររហូតដល់ 10 ឆ្នាំ។
- ងាយស្រួលរៀបចំ និងដំណើរការ
- បំពេញតាមស្តង់ដារគុណភាព វិញ្ញាបនបត្រសកល CE, UL, c-UL, c-Tick
- ធានា 12 ខែ
-ម៉ាក Hitachi (ជប៉ុន)
- ស៊េរី Inverter ដំណើរការខ្ពស់ មុខងារល្អ បច្ចេកវិទ្យាខ្ពស់។
- កម្មវិធីសម្រាប់បន្ទុកធ្ងន់៖ ការបញ្ចោញ, conveyors, លើកទំនិញ, កូរ, ត្បាញ, ប្រព័ន្ធម៉ាស៊ីន...
- កម្លាំងបង្វិលជុំចាប់ផ្តើមខ្ពស់: 200% (SLV-CT)
- ការទំនាក់ទំនង RS485, ModBus RTU
- មុខងាររត់តាមលំដាប់លំដោយ ជំនួសកម្មវិធី PLC សាមញ្ញមួយចំនួន។
- មុខងារនៃកម្លាំងបង្វិលជុំ / ចរន្តវាយតម្លៃអាចត្រូវបានកំណត់ដើម្បីការពារម៉ាស៊ីន និងឧបករណ៍
- ការការពារប្រឆាំងនឹងការបាត់បង់ដំណាក់កាល, លើសចរន្ត, លើសទម្ងន់, លើសសីតុណ្ហភាព, នៅក្រោមវ៉ុល ...
- 120% សមត្ថភាពផ្ទុកលើសទម្ងន់សម្រាប់ 60s (ផ្ទុកធម្មតា); 150% សម្រាប់ 60s (បន្ទុកធ្ងន់)
ប្រតិបត្តិការមានស្ថេរភាពនៅប្រេកង់ទាប (0.5Hz)
Built-in BusDC AVR មានមុខងារការពារចរន្តលើស
ភ្ជាប់មកជាមួយ៖ បន្ទះក្ដារចុច ឧបករណ៍វាស់ស្ទង់ថាមពល ការបញ្ចូល DI ទិន្នផលរ៉ាឡេ
- ថ្នាក់ការពារ IP20
- សមាសធាតុជាប់បានយូររហូតដល់ 10 ឆ្នាំ។
- ងាយស្រួលរៀបចំ និងដំណើរការ
- បំពេញតាមស្តង់ដារគុណភាព វិញ្ញាបនបត្រសកល CE, UL, c-UL, c-Tick
- ធានា 12 ខែ
-ម៉ាក Hitachi (ជប៉ុន)
Description
អាំងវឺរទ័រHitachi WJ200N-022SFC 2.2 kW 3 HP
- វ៉ុលប្រតិបត្តិការ : ចូល 1 ហ្វារ ចេញ 3 ហ្វារ 220 VAC
- វ៉ុល : 220 VAC, 50/60 Hz
- កម្លាំងវ៉ាត់ : 2.2 kW ( 3 HP )
- អគ្គិសនី : 1 ហ្វារ 11A
- ប្រេកង់ទិន្នផល : 0~400 Hz
- កម្លាំងបង្វិលជុំចាប់ផ្តើម : 200% ក្នុង 0.5 Hz
- រឹមកំដៅដំណើរការ : -10ºC ~ 50ºC
- ការតភ្ជាប់ទំនាក់ទំនង : RS485/Modbus
- កម្រិតការពារ : IP20
- ទំហំ : 108 x 128 x 170,5 (mm)
- ទម្ងន់ : 1,9 Kg
របៀបជ្រើសរើសលេខកូដ អាំងវឺរទ័រHitachi WJ200N-022SFC 2.2 kW 3 HP
ទំហំ អាំងវឺរទ័រHitachi WJ200N-022SFC 2.2 kW 3 HP
លក្ខណៈបច្ចេកទេស អាំងវឺរទ័រHitachi WJ200N-022SFC 2.2 kW 3 HP
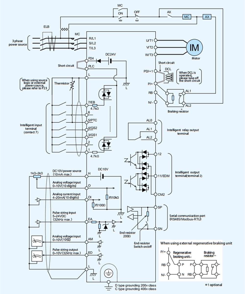
របៀបភ្ជាប់ អាំងវឺរទ័រHitachi WJ200N-022SFC 2.2 kW 3 HP
Download ឯកសារបច្ចេកទេស អាំងវឺរទ័រHitachi WJ200N-022SFC 2.2 kW 3 HP
មតិយោបល់
អង្គារ, 15 មិថុនា 2021
ឧបករណ៍នេះអាចប្រើបានមុខងារជំនាយសំភារះ

